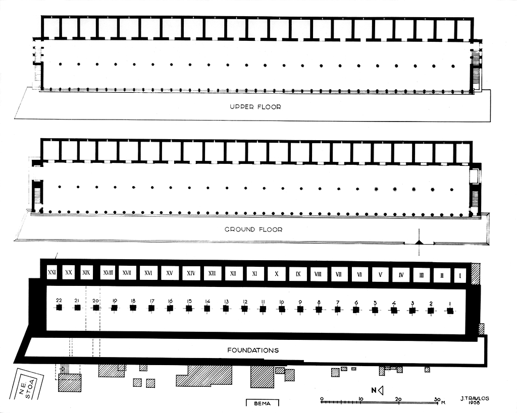
Drawing: PD 978-b (DA 213)Stoa of Attalos: plans of basement ground and upper floors. As actually rebuilt.
image
Name:   PD 978-b (DA 213)
PD:   PD 978-b
Title:   Stoa of Attalos: plans of basement ground and upper floors. As actually rebuilt.
Artist:   John Travlos
    Martin R. Jones
Storage:   34
Negative:   83-215
Bibliography:   Guide (1990), p. 131, fig. 82.
    Camp (1986), p. 173.
    Guide (1962), fig. 17.
    Agora XIV, p. 105, fig. 28.
Date:   1958
References:   Publication: Agora XIV
Monument: Stoa of Attalos
Image: 2002.03.1416 (83-215)